返回
一点经验网
网站首页
美食营养
游戏数码
手工爱好
生活家居
健康养生
运动户外
职场理财
情感交际
母婴教育
生活知识
生活百科
知识问答
更多知识
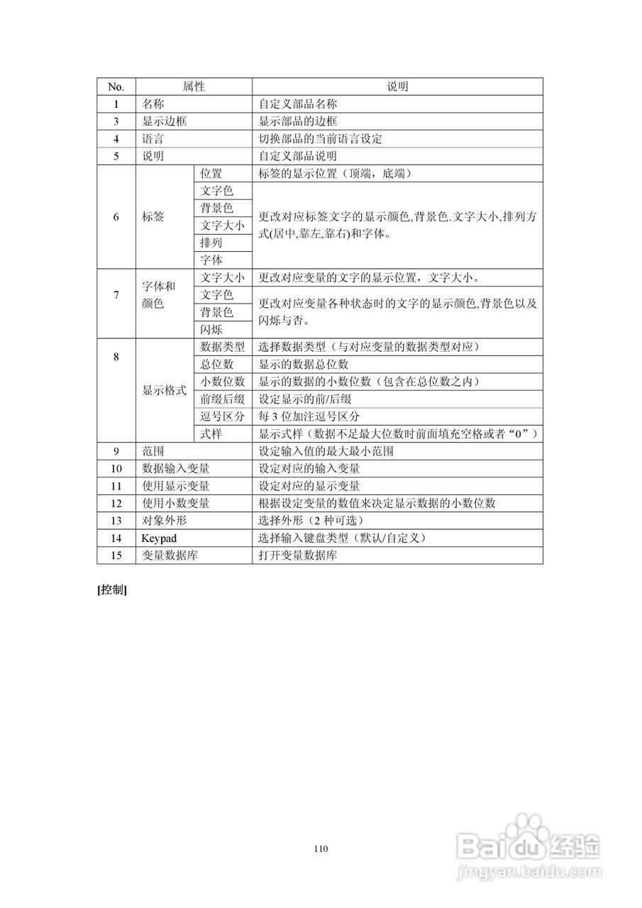
Koyo Value Technology 工业触摸屏C-more系列用户手册:[12]
时间:2026-03-08 05:41:30
(共篇)
上一篇:
|
下一篇:
Koyo Value Technology 工业触摸屏C-more系列用户手册:[21]
Koyo Value Technology 工业触摸屏C-more系列用户手册:[26]
触摸屏智能电磁分段加热电饭煲不加热维修小经验
触摸屏代码怎么进行实现
触摸屏界面设计教程
为你推荐:
合肥万达文化旅游城
旅游交流
河南省旅游局官方网站
迪拜旅游公司
南京旅游职业学院官网
贵州的旅游景点
四川省旅游地图
旅游局招聘
全国旅游路线图
右玉旅游
© 2026 一点经验网
信息来自网络 所有数据仅供参考
有疑问请联系站长 site.kefu@gmail.com